Что такое полособульбовый профиль?
Полособульб — это конструкционный профиль с плоским основанием и небольшим «сферическим выступом» (головкой) на одной стороне. Эта уникальная форма поперечного сечения не только повышает сопротивление изгибу, но также обладает отличной свариваемостью и компактной структурой. Он часто используется в качестве ребер жесткости и шпангоутов в таких областях, как судостроение, морские платформы, стальные конструкции и опоры ветроэнергетических установок.
Chalco может поставлять полособульбовые профили из различных материалов, включая:
Параметры полособульбовых профилей Chalco
Стандартный диапазон размеров: ширина 60–430 мм, толщина 4–20 мм
Варианты длины: 6 м / 9 м / 12 м или резка по размеру заказчика
Контроль допусков: толщина ±0.3 мм, ширина ±0.5 мм (в зависимости от материала)
Общие спецификации (применимо к стальным профилям): HP80×6, HP100×8, HP160×9, HP220×10 и т. д.
Варианты обработки: Поддержка вторичной обработки, такой как перфорация, нарезка пазов, гибка и обработка углов
Стандарты сертификации: в соответствии с ISO, DNV, ABS, CCS, ASTM и требованиями других международных классификационных обществ и отраслевых систем качества
Алюминиевый полособульб
Известен своим малым весом, высокой прочностью, стойкостью к коррозии и хорошей обрабатываемостью; идеально подходит для современного судостроения, рельсового транспорта и производства высокотехнологичного оборудования. Поставка коленчатых фитингов.
Рекомендуемый размер: ширина 60–430 мм, толщина 4–20 мм, длина по индивидуальному заказу.
Связаться с нами
-
6061 T6 (АД33 Т6) полособульб
Универсальный высокопрочный алюминиевый сплав с отличной свариваемостью и коррозионной стойкостью. Используется для силовых элементов с высокими требованиями к жесткости: узлы корпуса судна, промышленные рамы.
-
6082 T6 (АД35 Т6) полособульб
Прочность выше, чем у 6061, особенно подходит для динамически нагруженных конструкций и тяжелого машиностроения. Широко применяется в судостроении и транспорте, отлично анодируется.
-
5083 O (АМг4.5) полособульб
Известен высокой стойкостью к морской коррозии, основной материал в судостроении. Подходит для шпангоутов, подпалубного набора и частей, контактирующих с морской водой.
-
6060 (АД31) полособульб
Средняя прочность, но очень высокая прессуемость, подходит для серийного производства сложных сечений. В основном используется для декоративных и легконагруженных систем.
-
5754 (АМг3) полособульб
Хорошая коррозионная стойкость и свариваемость, используется в легких судовых конструкциях и дорожных знаках. Износостойкость выше, чем у других сплавов серии 5000.
-
2024 (Д16) полособульб
Авиационный высокопрочный сплав, обладает высокой прочностью, но низкой коррозионной стойкостью. Используется в нагруженных деталях с обязательной антикоррозийной защитой.
- Легкость и высокая прочность: соответствие требованиям промышленного облегчения конструкций.
- Отличная коррозионная стойкость: подходит для морской среды, строительства и электротехники.
- Превосходная технологичность: поддержка лазерной резки, ЧПУ обработки, гибки, анодирования.
Типичные области применения: высокопроизводительные компоненты судов, ветроэнергетика, каркасы рельсового транспорта, аэрокосмические системы.
Технические параметры: если вам нужны индивидуальные решения и паспорта данных, свяжитесь с отделом продаж.
Запросить ценуУглеродистый стальной полособульб
Стальные профили Chalco обладают отличной прочностью и свариваемостью, являясь надежным материалом для тяжелых конструкций, мостов и корпусов судов.
Рекомендуемые размеры: HP80×6, HP100×8, HP160×9, HP220×10 и т. д.
Связаться с нами
-
Сталь средней прочности
Категории A32 / D32 / E32
(Аналог по ГОСТ: 09Г2, 09Г2С)
Подходит для условий высоких нагрузок
-
Сталь обычной прочности
Категории A / B / D / E
Предел текучести около 235 МПа
Применяется в обычных конструкциях
-
Высокопрочная сталь
Категории A36 / D36 / E36
Предел текучести около 355 МПа
Для основных рам корпуса и крупных узлов
Сертификация и стандарты: в соответствии с ASTM A36, ASTM A131, EN10025, GB712 и др.
Профили Chalco охватывают судовые стали, такие как Grade A, AH36, DH36, сертифицированные членами МАКО (IACS), включая DNV, ABS, CCS, LR, BV.
Особенности:
- Богатый выбор стандартов: от HP80×6 до HP430×20
- Отличная сварка и несущая способность: для тяжелых рам
- Поддержка постобработки: сверление, снятие фаски, покраска, нанесение покрытий.
Типичные области применения: детали корпуса, стенки балок мостов, ребра жесткости морских платформ.
Технические параметры: свяжитесь с отделом продаж для получения спецификаций.
Запросить ценуПолособульб из нержавеющей стали
Профили из нержавеющей стали Chalco используются в агрессивных средах нефтехимии, энергетики и медицины благодаря высокой коррозионной стойкости и чистоте.
Связаться с нами
-
Нержавеющая сталь 304 (08Х18Н10)
Универсальная сталь, хорошая коррозионная стойкость.
-
Нержавеющая сталь 316 (10Х17Н13М2)
Повышенная стойкость к морской и химической коррозии.
Сертификация: ASTM A240, EN10088, GB/T 3280, сертификаты SGS, ISO 9001, пищевые допуски.
Особенности:
- Отличная стойкость к температурам и коррозии
- Варианты поверхности: матовая, зеркальная, травление
- Совместимость с прецизионной сваркой
Типичные области применения: яхты, нефтехимическое оборудование, медицина.
Технические параметры: свяжитесь с отделом продаж для уточнения деталей.
Запросить ценуТехнические преимущества и производственные возможности Chalco
Преимущества продукта
- Полный охват материалов: алюминий, углеродистая сталь, нержавеющая сталь.
- Высокие эксплуатационные характеристики: соотношение прочности к весу, сопротивление изгибу.
- Оптимизированный дизайн: скругленные углы не требуют полировки, улучшают адгезию покрытия.
- Полная сертификация: соответствие ASTM, EN, GB и регистрам DNV, ABS, LR, CCS, BV.
Система контроля качества
- Прослеживаемость: уникальный код для каждого профиля.
- Стандартизация: ISO9001, ISO14001.
- Точность: шлифовка кромок для автоматической сварки.
- Гибкий график: подстройка под сроки проекта заказчика.
- Быстрая доставка: образцы за 7 дней.
Производственные возможности
- ЧПУ обработка: фрезерование и точение сложных деталей.
- Крупногабаритная гибка: до 24 футов (7.3 м).
- Все виды резки: лазерная, водоструйная, пилы.
- Сварка: TIG/MIG, точечная, стыковая.
- Поверхностная обработка: анодирование, цинкование, полировка.
- Высокая точность: до ±0.02 мм.
| Тип обработки | Параметры оборудования | Описание |
| ЧПУ обработка | Высокоскоростные центры | Сложные контуры и точные детали |
| Гибка | До 24 футов (ок. 7.3 м) | Для крупных листов и профилей |
| Гибка труб | Диаметр до 3 дюймов (ок. 76 мм) | Сложная геометрия труб |
| Лазерная резка | Стол 96"×300", точность ±0.003" | Высокая скорость для больших размеров |
| Водоструйная резка | Давление до 94 000 PSI, толщина ≤ 50 мм | Холодная резка без деформации |
| Пиление | Толщина до 25 дюймов | Для крупных сечений |
| Сварка | TIG / MIG, точечная и др. | Для всех типов металлов |
Сотрудничество Chalco в морской сфере
Chalco имеет богатый опыт поставок профилей мировым верфям и нефтегазовым компаниям. Мы предлагаем стальные профили с сертификатами DNV/ABS и алюминиевые решения для облегчения судов.
Запросить цену- Широкая сертификация: Grade A, AH36, 5083-O и др.
- Индивидуальная поставка: по чертежам, фикс-длина 6-12 м.
- Комплексный сервис: сверление, резка, покраска в одном месте.
- Опыт в международных проектах.
Судостроение
Материалы: сталь, алюминий. Применение: киль, шпангоуты, сертификация ABS/DNV; длина 6м/9м/12м.
Ценность: сплавы Grade A / AH36 / 5083-O; быстрая стыковка чертежей.
| Преимущества в судостроении | |
| Преимущество | Описание |
| Оптимизация веса | Лучшее сопротивление прогибу, чем у Т-образного профиля |
| Удобство сварки | Скругленная форма облегчает покраску и снижает коррозию в углах |
| Простота соединений | Асимметрия идеальна для сборки переборок и рам |
| Долговечность | Гладкая поверхность препятствует накоплению грязи. |
Мостовые конструкции
Материал: Углеродистая сталь
Особенности: Комплексные решения по гибке и перфорации для настилов и балок.
Ценность: Поставка «панель + обработка» сокращает время строительства на площадке.
| Преимущества в мостостроении | |
| Применение | Описание |
| Снижение веса | Снижение нагрузки на опоры при сохранении прочности |
| Удобство монтажа | Совместимость с коробчатыми балками и фермами |
| Обслуживание | Меньше точек концентрации напряжений |
| Научная поддержка | Одобрено Имперским колледжем Лондона. |
Ребра жесткости морских платформ
Материал: Сталь
Особенности: Для усиления сложных конструкций
Ценность: быстрая реакция на короткие циклы морских проектов.
Опоры внутри ветробашен
Материал: Алюминий
Особенности: Поддержка кабелей и лестниц.
Ценность: Сплавы 6061 / 6082 (АД33 / АД35) снижают общий вес.
Портовые сооружения
Материал: Нержавеющая сталь
Особенности: Для зон с высокой коррозией
Ценность: Сталь 316L (03Х17Н14М3), стойкая к соляному туману.
Мы предлагаем индивидуальные решения для судов, шельфовых модулей и ветроэнергетики. Отправьте чертежи для получения коммерческого предложения.
Запросить ценуТехнические параметры полособульбовой стали Chalco
Прямолинейность - прогиб и кривизна
Измеряется по всей длине профиля.
| Длина | Стандарт EN10067 | Специальный 1 | Специальный 2 |
| L ≤ 18м | q ≤ 0.0035 x L | q ≤ 0.0025 x L | q ≤ 0.00125 x L |
Скручивание
Допустимая степень скручивания указана ниже:
| Длина | Стандарт | Специальный 1 |
| Все | 0.5°/м | 0.35°/м |
Скручивание сложно измерить напрямую, поэтому его проще пересчитать в торсионное смещение, измерив смещение T в мм и применив следующие расчеты:
Торсионное смещение, T (мм) = ширина (мм) x sin допуска в градусах x длина (м)
Торсион: T = b x sin 0.35° x L - Специальная сталь 1
Торсион: T = b x sin 0.5° x L - Стандартная сталь
Плоскостность
Допуск плоскостности пластины h составляет 0.3% от ширины полособульба b и измеряется, как показано ниже.
Допуск плоскостности пластины: h ≤ 0.003 x b
Допуск плоскостности головки (пятки) n измеряется, как показано ниже, и составляет максимум 2.0 мм.
Допуск плоскостности головки: n ≤ 2.0 мм
Обзор размерных допусков головки профиля
|
|
|||
| Параметр | Толщина t (мм) | Допуск ≤ | Параметр | Толщина t (мм) |
| Допуск угла головки s | t ≤ 9 | 2.0 мм | Радиус закругления головки r₁ | 5 < t ≤ 9 |
| 9 < t ≤ 13 | 3.0 мм | 9 < t ≤ 13 | ||
| t > 13 | 4.0 мм | 13 < t ≤ 20 | ||
| Допуск высоты головки f | t > 7 | f ≤ 0.75 x s | ||
Обзор размерных допусков кромки стенки
|
|
||||
| Параметр | Толщина t (мм) | Допуск ≤ | Параметр | Толщина t (мм) | Допуск ≤ |
| Допуск кромки стенки e | t ≤ 9 | 2.0 мм | Допуск угла кромки стенки w | t ≤ 9 | 4° |
| 9 < t ≤ 13 | 3.0 мм | 9 < t ≤ 13 | 4° | ||
| t > 13 | 4.0 мм | t > 13 | 4° | ||
Состояние поверхности
Требования к поверхности и условия ремонта судостроительных профилей соответствуют стандарту EN10163-3:2004 (аналог ГОСТ 21014), подкласс 3, класс C. Максимально допустимая глубина дефектов и припуск на шлифовку ниже минимальной указанной толщины приведены в таблице ниже:
| Номинальная толщина изделия, t (мм) | Максимально допустимая глубина дефектов (мм) |
| 3 ≤ t < 6 | 20% от t |
| 6 ≤ t < 20 | 1.2 |
| 20 ≤ t < 40 | 1.7 |
Требования к материалам после абразивоструйной очистки и грунтовки
Материал может поставляться в состоянии после абразивоструйной очистки и грунтовки в соответствии с EN10238:1996 (аналог ГОСТ 9.402).
Стандартные условия поставки следующие:
Степень очистки поверхности: Sa 2½
Шероховатость поверхности: M (средняя в соответствии с ISO 8503-2)
Толщина сухого слоя: 20мкм ± 5мкм
Типы грунтов: Заводы British Steel оснащены оборудованием для нанесения широкого спектра грунтов и могут использовать краски по предпочтению заказчика.
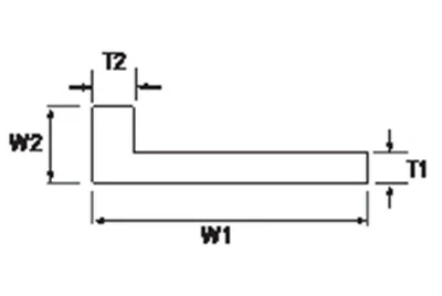
Справочная таблица размеров
| Таблица размерных параметров алюминиевого полособульбового профиля (Серии 1ххх-8ххх, ГОСТ 13616) | ||||
|
|
|||
| Толщина T1 (мм) | Ширина W1 (мм) | Толщина T2 (мм) | Ширина W2 (мм) | Длина L (мм) |
| 4.0 | 45 | 8 | 11.5 | 6000 |
| 5.0 | 50 | 8 | 12 | 6000 |
| 5.0 | 60 | 11 | 15 | 6000 |
| 6.0 | 85 | 15 | 20 | 6000 |
| 6.0 | 95 | 20 | 12 | 6000 |
| 4.5 | 50 | — | 14 | 6000 |
| 5.4 | 98.7 | — | 19 | 6000 |
| 5.6 | 76.2 | — | 19 | 6000 |
| 6.0 | 127 | — | 19 | 6000 |
| Таблица размеров стального полособульбового профиля (ГОСТ 9235, ГОСТ 21948) |
|
||||||||
| Размер | Вес ед. 12м+ (кг) | b (мм) | t (мм) | c (мм) | r (мм) | Сечение (cm²) | Площадь пов-сти (m²/m) | Ixx (cm ⁴) | Wxx (cm ³) |
| 60 x 4 | 35, 33 | 60 | 4 | 13 | 3, 5 | 3, 58 | 0, 146 | 12, 2 | 3, 2 |
| 60 x 5 | 41, 26 | 60 | 5 | 13 | 3, 5 | 4, 18 | 0, 148 | 14, 4 | 3, 89 |
| 60 x 6 | 47, 31 | 60 | 6 | 13 | 3, 5 | 4, 78 | 0, 150 | 16, 4 | 4, 55 |
| 80 x 5 | 53, 36 | 80 | 5 | 14 | 4 | 5, 41 | 0, 189 | 33, 87 | 6, 91 |
| 80 x 6 | 61, 23 | 80 | 6 | 14 | 4 | 6, 21 | 0, 191 | 38, 7 | 8, 1 |
| 80 x 7 | 69, 21 | 80 | 7 | 14 | 4 | 7, 00 | 0, 194 | 43, 3 | 9, 24 |
| 100 x 6 | 76, 47 | 100 | 6 | 15, 5 | 4, 5 | 7, 74 | 0, 235 | 76, 8 | 12, 7 |
| 100 x 7 | 86, 27 | 100 | 7 | 15, 5 | 4, 5 | 8, 74 | 0, 236 | 85, 3 | 14, 5 |
| 100 x 8 | 96, 32 | 100 | 8 | 15, 5 | 4, 5 | 9, 74 | 0, 238 | 94, 3 | 16, 3 |
| 120 x 6 | 91, 96 | 120 | 6 | 17 | 5 | 9, 32 | 0, 276 | 133 | 18, 5 |
| 120 x 7 | 103, 82 | 120 | 7 | 17 | 5 | 10, 52 | 0, 278 | 149 | 21 |
| 120 x 8 | 115, 68 | 120 | 8 | 17 | 5 | 11, 72 | 0, 280 | 165 | 23, 6 |
| 140 x 7 | 122, 21 | 140 | 7 | 19 | 5, 5 | 12, 43 | 0, 320 | 241 | 29 |
| 140 x 8 | 135, 52 | 140 | 8 | 19 | 5, 5 | 13, 83 | 0, 322 | 266 | 32, 5 |
| 140 x 9 | 150, 04 | 140 | 9 | 19 | 5, 5 | 15, 20 | 0, 324 | 291 | 36 |
| 140 x 10 | 165, 77 | 140 | 10 | 19 | 5, 5 | 16, 63 | 0, 326 | 315 | 39, 5 |
| 160 x 7 | 143, 99 | 160 | 7 | 22 | 6 | 14, 60 | 0, 365 | 373 | 38, 6 |
| 160 x 8 | 159, 72 | 160 | 8 | 22 | 6 | 16, 20 | 0, 367 | 411 | 43, 3 |
| 160 x 9 | 176, 66 | 160 | 9 | 22 | 6 | 17, 80 | 0, 369 | 449 | 47, 9 |
| 180 x 8 | 186, 34 | 180 | 8 | 25 | 7 | 18, 86 | 0, 411 | 609 | 55, 9 |
| 180 x 9 | 204, 29 | 180 | 9 | 25 | 7 | 20, 66 | 0, 413 | 664 | 61, 8 |
| 180 x 10 | 221, 43 | 180 | 10 | 25 | 7 | 22, 46 | 0, 415 | 717 | 67, 7 |
| 180 x 11 | 239, 58 | 180 | 11 | 25 | 7 | 24, 26 | 0, 417 | 770 | 73, 5 |
| 200 x 9 | 232, 32 | 200 | 9 | 28 | 8 | 23, 66 | 0, 457 | 942 | 77, 7 |
| 200 x 10 | 252, 89 | 200 | 10 | 28 | 8 | 25, 66 | 0, 459 | 1017 | 85, 1 |
| 200 x 11 | 273, 46 | 200 | 11 | 28 | 8 | 27, 66 | 0, 461 | 1091 | 92, 3 |
| 200 x 11, 5 | 283, 14 | 200 | 11, 5 | 28 | 8 | 28, 60 | 0, 462 | 1126 | 96, 2 |
| 200 x 12 | 291, 61 | 200 | 12 | 28 | 8 | 29, 66 | 0, 463 | 1164 | 99, 5 |
| 220 x 10 | 286, 77 | 220 | 10 | 31 | 9 | 29, 00 | 0, 503 | 1396 | 105 |
| 220 x 11 | 308, 55 | 220 | 11 | 31 | 9 | 31, 20 | 0, 506 | 1496 | 114 |
| 220 x 11, 5 | 319, 44 | 220 | 11, 5 | 31 | 9 | 32, 30 | 0, 506 | 1550 | 118 |
| 220 x 12 | 329, 12 | 220 | 12 | 31 | 9 | 33, 40 | 0, 507 | 1595 | 122 |
| 240 x 10 | 319, 44 | 240 | 10 | 34 | 10 | 32, 49 | 0, 547 | 1865 | 126 |
| 240 x 11 | 344, 85 | 240 | 11 | 34 | 10 | 34, 89 | 0, 549 | 1997 | 137 |
| 240 x 12 | 369, 05 | 240 | 12 | 34 | 10 | 37, 29 | 0, 551 | 2127 | 148 |
| 260 x 10 | 355, 74 | 260 | 10 | 37 | 11 | 36, 11 | 0, 591 | 2434 | 150 |
| 260 x 11 | 381, 15 | 260 | 11 | 37 | 11 | 38, 71 | 0, 593 | 2605 | 163 |
| 260 x 12 | 407, 77 | 260 | 12 | 37 | 11 | 41, 31 | 0, 596 | 2774 | 175 |
| 280 x 11 | 422, 29 | 280 | 11 | 40 | 12 | 42, 68 | 0, 637 | 3333 | 191 |
| 280 x 12 | 448, 91 | 280 | 12 | 40 | 12 | 45, 48 | 0, 639 | 3647 | 206 |
| 280 x 13 | 476, 74 | 280 | 13 | 40 | 12 | 48, 28 | 0, 641 | 3757 | 221 |
| 300 x 11 | 462, 22 | 300 | 11 | 43 | 13 | 46, 78 | 0, 681 | 4192 | 222 |
| 300 x 12 | 491, 26 | 300 | 12 | 43 | 13 | 49, 79 | 0, 683 | 4459 | 239 |
| 300 x 13 | 522, 72 | 300 | 13 | 43 | 13 | 52, 79 | 0, 685 | 4722 | 256 |
| 320 x 12 | 534, 82 | 320 | 12 | 46 | 14 | 54, 25 | 0, 728 | 5525 | 275 |
| 320 x 13 | 566, 28 | 320 | 13 | 46 | 14 | 57, 45 | 0, 730 | 5849 | 294 |
| 320 x 14 | 598, 95 | 320 | 14 | 46 | 14 | 60, 85 | 0, 732 | 6168 | 313 |
| 340 x 12 | 581, 28 | 340 | 12 | 49 | 15 | 58, 84 | 0, 772 | 6757 | 313 |
| 340 x 13 | 612, 26 | 340 | 13 | 49 | 15 | 62, 24 | 0, 774 | 7152 | 335 |
| 340 x 14 | 648, 56 | 340 | 14 | 49 | 15 | 65, 54 | 0, 776 | 7540 | 357 |
| 370 x 13 | 687, 28 | 370 | 13 | 53, 3 | 16, 5 | 69, 70 | 0, 840 | 9469 | 402 |
| 370 x 14 | 723, 58 | 370 | 14 | 53, 3 | 16, 5 | 73, 40 | 0, 842 | 9980 | 429 |
| 370 x 15 | 761, 09 | 370 | 15 | 53, 3 | 16, 5 | 77, 10 | 0, 844 | 10483 | 456 |
| 400 x 14 | 804, 65 | 400 | 14 | 58 | 18 | 81, 48 | 0, 908 | 12924 | 507 |
| 400 x 15 | 844, 34 | 400 | 15 | 58 | 18 | 85, 48 | 0, 910 | 13573 | 538 |
| 400 x 16 | 883, 30 | 400 | 16 | 58 | 18 | 89, 48 | 0, 912 | 14211 | 568 |
Chalco также предоставляет другие вспомогательные материалы для судостроения
Chalco производит и поставляет широкий ассортимент полособульбовых профилей, полосовой стали и других конструкционных изделий для судостроения: разнообразие завода, гибкость дилера!
Лист (Плита)
Полосовой/Квадратный прокат
Равнополочный / Неравнополочный уголок
Полукруглый прокат
Круглый прокат
Трубы
Гофрированные листы
Балки
Обратные уголки
Часто задаваемые вопросы (FAQ)
Вопрос: Можно ли использовать алюминиевые полособульбовые профили для конструкций?
Ответ: Да, они особенно подходят для легких каркасных конструкций (таких как яхты и интерьеры автомобилей). Для высокопрочных конструкций рекомендуется сталь.
Вопрос: Поддерживаете ли вы индивидуальные размеры?
Ответ: Конечно, мы можем настроить размер, сплав (серии 1ххх-8ххх, ГОСТ/ISO), обработку поверхности и другие параметры.
Вопрос: Каким стандартам соответствуют стальные полособульбовые профили?
Ответ: GB/T 9945, EN 10067, JIS G3192 и др. (соответствуют ГОСТ 9235).
Вопрос: Поддерживаете ли вы закупки малыми партиями?
Ответ: Да, мы можем предоставить услугу с низким минимальным объемом заказа (MOQ) для пробных образцов или прототипов проектов.
Запросить цену / Связаться с нами
Для запросов или технической консультации, пожалуйста, свяжитесь с нами:
- Запросите бесплатные образцы и техническую информацию
- Получите индивидуальное ценовое предложение на основе вашего чертежа
- Профессиональные предложения по выбору сплава и структуры
Chalco может предоставить вам самый полный ассортимент алюминиевой продукции (Серии 1ххх-8ххх), а также изготовить изделия по индивидуальному заказу. Точное коммерческое предложение будет предоставлено в течение 24 часов.
Получить цену
