В дизайне современных домов и коммерческих помещений алюминиевые шкафы постепенно стали популярным выбором на рынке благодаря их легкому весу, высокой прочности, хорошей коррозионной стойкости и другим характеристикам. Будь то кухонные шкафы, шкафы для ванной комнаты или офисные шкафы для хранения, алюминиевые шкафы могут удовлетворить потребности в красоте, долговечности и персонализации в разных средах благодаря своим уникальным преимуществам. Будучи ведущим поставщиком алюминиевой продукции в отрасли, мы стремимся предоставлять клиентам комплексные индивидуальные решения для алюминиевых шкафов.
Комплексное решение для индивидуальных алюминиевых шкафов - ваш универсальный партнер
Выбор сплава: 6061 (АД33), 6063 (АД31), 7075 (В95) и другие алюминиевые сплавы на выбор.
Кастомизация сечения: Т-образные, U-образные, L-образные и сложные профили, поддержка прецизионной экструзии.
Настройка размеров: Длина, ширина и толщина профилей и листов могут быть полностью индивидуализированы.
Поверхностная обработка: анодирование, порошковое окрашивание, сублимация под дерево, браширование или зеркальная полировка.
Предварительная обработка: подготовленные пазы, отверстия и зоны установки интеллектуальных компонентов для аксессуаров.
Модульная конструкция: дизайн профилей с соединительными пазами и интерфейсами для коннекторов.
Брендирование: лазерная гравировка, тиснение или нанесение логотипа бренда краской.
Дополнительные услуги: Для получения дополнительной информации нажмите [Настроить] для перехода к деталям, проверьте [Образцы форм] или свяжитесь напрямую с бизнес-персоналом.
Мгновенное предложениеАлюминиевые листы Chalco для шкафов
Являясь важным компонентом шкафов, панели из алюминиевых сплавов обладают преимуществами легкости, долговечности, влагостойкости и устойчивости к плесени, что особенно удобно для использования во влажных средах кухонь и ванных комнат.
-
Алюминиевая панель
Алюминиевые панели играют жизненно важную роль в корпусе и дверцах шкафов. Их влагозащитные и антикоррозийные свойства делают их незаменимыми в условиях высокой влажности, таких как кухни и ванные комнаты, что позволяет эффективно продлить срок службы мебели.
-
АКП панель
АКП (алюминиевая композитная панель) — это композитный материал, состоящий из двух слоев алюминиевых листов и пластиковой прослойки. Она обладает отличной коррозионной стойкостью и долговечностью и часто используется для внешних панелей шкафов, особенно в домашних интерьерах, требующих высоких декоративных и экологических характеристик.
-
Алюминиевая сотовая панель
Сотовые панели часто применяются для дверных панелей и корпусов шкафов благодаря их легкому весу и высокой прочности. Этот материал позволяет значительно снизить вес шкафа, обеспечивая при этом структурную жесткость, и особенно подходит для панелей большой площади и конструкций, требующих высокой износостойкости.
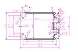
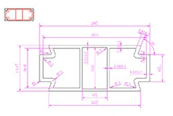
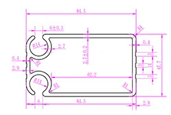
Алюминиевые профили Chalco для шкафов
Алюминиевые профили служат каркасом и системой поддержки шкафов, охватывая такие ключевые компоненты, как рамы корпуса, дверные рамы, направляющие и т. д. Chalco предлагает широкий ассортимент алюминиевых профилей для удовлетворения различных дизайнерских потребностей и обеспечения стабильности и эстетики конструкции.
Стандартные профили для алюминиевых шкафов
-
Chalco поставляет высококачественные алюминиевые прутки, трубы, полосы и другие стандартные профили для обеспечения базовыми материалами производителей мебели. Эти материалы подходят для каркасных структур шкафов и могут подвергаться дальнейшей обработке или экструзии для соответствия различным требованиям дизайна. Мы предлагаем клиентам множество спецификаций, гарантируя, что каждый компонент будет точно адаптирован для создания высокопрочного, долговечного и красивого шкафа из алюминиевого сплава.
Алюминиевая шина (плоский пруток)
Алюминиевый шестигранный пруток
Алюминиевая круглая труба
Алюминиевая прямоугольная труба
Алюминиевая овальная труба
Алюминиевая шестигранная труба
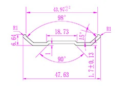
Т-образный станочный профиль для алюминиевых шкафов
-
Т-образные профили широко используются в каркасных конструкциях алюминиевых шкафов благодаря их уникальной конструкции с Т-образным пазом, что обеспечивает удобную и быструю сборку. Chalco предоставляет широкий спектр спецификаций Т-образных профилей для обеспечения устойчивости и долговечности шкафов, отвечая потребностям индивидуального проектирования и подходя для различных размеров и конструктивных требований.
Серия 10 (на базе профиля 11 дюйм)
Серия 15 (на базе профиля 1.51.5 дюйма)
Серия 20 (на базе 2020 мм)
Серия 25 (на базе 2525 мм)
Серия 30 (на базе 3030 мм)
Серия 40 (на базе 4040 мм)
Серия 50 (на базе 5050 мм)
Серия 60 (на базе 6060 мм)
Серия 80 (на базе 80*80 мм)
Алюминиевый швеллер для алюминиевых шкафов
-
Сплав: 6061 (АД33), 6063 (АД31), 7075 (В95), 2024 (Д16), 5083 (АМг4.5), 7050 (В95оч), 5086 (АМг4), 5456 (АМг6), 6082 (АД35), 6060 (АД31) и т.д.
Алюминиевый швеллер широко используется в каркасе и несущих конструкциях алюминиевых шкафов для обеспечения стабильной опоры. Он легкий, устойчив к коррозии и окислению, подходит для влажных условий кухонь и ванных комнат. Chalco поставляет алюминиевые швеллеры различных размеров и форм для удовлетворения потребностей в индивидуальном изготовлении мебели.
U-образный швеллер
С-образный швеллер
J-образный швеллер
Шляпный профиль (Omega)
Т-образный канал
F-образный швеллер
H-образный швеллер
Пазовый профиль под гайку
Дверная направляющая (трек)
Алюминиевый уголок для алюминиевых шкафов
-
Сплав: 6061 (АД33), 6063 (АД31), 2024 (Д16), 7075 (В95), 5052 (АМг2), 5083 (АМг4.5), 6060 (АД31)
Особенностью применения алюминиевого уголка в шкафах из алюминиевого сплава является обеспечение надежной опоры и соединения. Он широко используется в рамах шкафов, дверных рамах, углах и других частях. Мы предлагаем алюминиевые уголки с различными углами и формами, включая скругленные и прямые углы, для соответствия разным проектным требованиям и обеспечения устойчивости и красоты конструкции шкафа.
Конструкционный уголок
Строительный уголок
Равнополочный/неравнополочный уголок
Y-образный уголок
Z-образный уголок
L-образный уголок
Тонкий уголок
Большой уголок
Усиленный (Heavy duty) уголок
Алюминиевые аксессуары Chalco для шкафов
Ручка
Устанавливается на дверцы шкафов или ящики для открывания и закрывания.
Петли
Соединяют дверцу шкафа с корпусом, обеспечивая ее открывание и закрывание.
Направляющие
Используются для выдвижных ящиков, обеспечивая плавный ход.
Ножки/основание шкафа
Поддерживают вес шкафа и позволяют регулировать высоту для выравнивания.
Подвесы
Используются для крепления и удержания веса навесных шкафов.
Уголок
Применение: используется для усиления конструкции шкафа и соединения рам.
Декоративные планки
Закрывают или защищают края шкафа для улучшения внешнего вида.
Краевой профиль
Обрамляет края стекла или панелей для обеспечения защиты.
Трек для раздвижных дверей
Обеспечивает опору и направляющую для скольжения раздвижных дверей.
Роликовая система
Помогает раздвижным дверям или перегородкам плавно скользить.
Замки
Используются для запирания дверец шкафов или ящиков.
Газовые/гидравлические лифты
Поддерживают откидные дверцы или обеспечивают мягкое открывание и закрывание.
Стяжка
Используется для усиления поддержки внутренней структуры шкафа.
Ограничитель двери
Ограничивает угол открывания и закрывания дверей для защиты корпуса и рамы.
Разделители для ящиков
Разделяют внутреннее пространство ящика для удобной классификации и хранения.
Уплотнительная лента
Используется для герметизации зазоров между дверцами или ящиками для защиты от пыли и влаги.
Соединитель шкафа
Соединяет секции шкафа и обеспечивает надежность каркаса.
Регулируемые ролики
Используются для перемещения и позиционирования шкафов, некоторые модели регулируются по высоте.
Крепеж для алюминиевых панелей
Применение: используется для фиксации панелей к рамам.
Зажим для фиксации стекла
Применение: используется для фиксации стеклянных панелей или стеклянных дверец шкафов.
Возможности производства и индивидуального заказа алюминиевых изделий для шкафов Chalco
Кастомизация состава сплава: в соответствии с требованиями заказчика к прочности, коррозионной стойкости, легкости и другим свойствам, мы предлагаем варианты алюминиевых сплавов (таких как 6061 (АД33), 6063 (АД31), 7075 (В95) и др.).
Индивидуальные сечения профилей: Мы можем изготавливать профили со специальными сечениями по чертежам заказчика, такими как Т-образные, U-образные, L-образные или сложные профили. Поддерживается прецизионная экструзия для обеспечения точных размеров и соответствия сложным конструктивным требованиям.
Индивидуальные размеры: Обеспечиваем полную кастомизацию длины, ширины, толщины профилей и листов. Поддерживаем производство крупногабаритных цельных профилей для сокращения процедур последующей обработки и стыковки.
Подготовка под обработку: По желанию заказчика предусматриваем монтажные пазы или отверстия для аксессуаров, таких как направляющие, петли, ручки, замки и т.д., для снижения затрат на последующую сборку. Предоставляем подготовленные интерфейсы или зоны установки для интеллектуальных компонентов (электронные замки, системы освещения) для облегчения интеграции.
Поддержка модульного проектирования: Предоставляем услуги по проектированию и обработке профилей, подходящих для модульных шкафов, включая стыковочные пазы, интерфейсы соединителей и т.д. Обеспечиваем бесшовное соединение между профилями и повышаем эффективность монтажа.
Индивидуальная обработка поверхности: поддерживаем анодирование, электрофорезную окраску, порошковое покрытие, термотрансфер под дерево, браширование или зеркальную полировку. Соответствие эстетическим требованиям различных стилей: от элитной домашней мебели до промышленных инструментальных шкафов или торговых витрин.
Кастомизация логотипа и бренда: Поддерживаем нанесение логотипа бренда заказчика, номера изделия или декоративного узора на алюминиевые профили или поверхности. Предоставляем услуги лазерной гравировки, тиснения или напыления логотипа.
Сценарии применения алюминиевых шкафов и примеры партнерских кейсов
Шкафы из алюминиевых сплавов получили широкое применение на кухнях, в ванных комнатах и других жилых помещениях благодаря своей легкости, долговечности, влагостойкости и коррозионной стойкости. Благодаря своим уникальным преимуществам, алюминиевые шкафы не только улучшают эстетику домашней среды, но и обеспечивают более длительный срок службы. Мы сотрудничаем со многими известными производителями шкафов, мебельными брендами и компаниями по дизайну интерьеров, предоставляя высококачественную алюминиевую продукцию для создания премиальной мебели под заказ.
Кухонные шкафы
Влагостойкость и коррозионная стойкость алюминиевых шкафов гарантируют сохранение отличных эксплуатационных характеристик в течение длительного времени даже в условиях высокой влажности. Они широко используются в домашних и коммерческих кухнях.
Шкафы для ванных комнат
В ванной комнате преобладает влажная среда, и водостойкость алюминиевого сплава делает его идеальным материалом для мебели в ванную. Он эффективно сопротивляется коррозии от водяного пара и сохраняет долговечную красоту шкафа.
Мебель на заказ
Алюминиевые шкафы также широко используются в гардеробах, винных шкафах, системах хранения и других видах индивидуальной мебели, предоставляя персонализированные решения для различных домашних пространств.
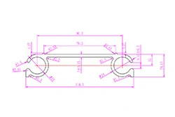
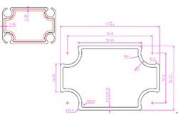
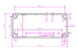
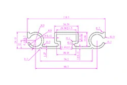
Демонстрация некоторых пресс-форм для шкафов Chalco
Сплав: 6061 (АД33), 6063 (АД31) и другие экструзионные сплавы
Стандарты исполнения: GBT5237.1 (ГОСТ 22233), GB/T14846 (ГОСТ 8617)
Уровень продукции: высокая точность
Кривизна: ≤0.8 мм на метр
Степень скручивания: ≤0.8 мм на метр
Часто задаваемые вопросы при покупке алюминия для шкафов
В чем преимущества алюминиевых шкафов?
Основными преимуществами алюминиевых шкафов являются коррозионная стойкость, влагостойкость, устойчивость к плесени и водонепроницаемость. Они легче и долговечнее традиционных шкафов из дерева или стали. Они могут эффективно продлить срок службы мебели, сохраняя ее эстетичный вид. Они особенно подходят для помещений с высокой влажностью, таких как кухни и ванные комнаты.
Как выбрать подходящий алюминиевый сплав?
При выборе алюминиевого сплава в первую очередь следует учитывать условия эксплуатации шкафа. Например, для кухонных шкафов следует выбирать алюминиевые сплавы, которые обладают водонепроницаемостью, влагостойкостью и коррозионной стойкостью; для шкафов в ванную комнату нужно уделять еще больше внимания влагозащите. Во-вторых, в соответствии с требованиями дизайна выберите подходящий алюминиевый профиль, лист или трубу, чтобы материал выдерживал нагрузки при ежедневном использовании.
Какие типы алюминиевых изделий можно выбрать для изготовления шкафов?
Обычные изделия из алюминиевых сплавов для шкафов включают алюминиевые листы, профили, трубы, прутки и т.д. В зависимости от дизайна шкафа вы можете выбрать стандартные профили, рамочные профили, Т-образные профили для каркаса, изготовления дверных панелей, направляющих для раздвижных дверей и многого другого.
Каковы методы обработки алюминиевых шкафов?
Мы предоставляем различные алюминиевые материалы, которые заказчики могут обрабатывать в соответствии со своими потребностями. Поставляемые нами изделия из алюминиевых сплавов могут подвергаться экструзии, резке, сварке и т.д., а также могут быть изготовлены по индивидуальному заказу в виде конкретных профилей и размеров для соответствия различным проектным требованиям.
Подходят ли алюминиевые шкафы для индивидуального заказа?
Да, алюминиевый сплав отлично подходит для кастомизации. Вы можете настроить стиль и размер шкафа в соответствии с габаритами помещения и личными потребностями. Предоставляемые нами алюминиевые материалы можно комбинировать с другими материалами для удовлетворения персонализированных дизайнерских решений и создания уникальных шкафов и жилых пространств.
Сложно ли чистить и обслуживать алюминиевые шкафы?
Алюминиевые шкафы очень легко чистить и обслуживать. Достаточно регулярно протирать их влажной тканью для удаления пятен и следов жира. Поскольку алюминиевый сплав обладает высокой коррозионной стойкостью, нет причин беспокоиться о выцветании или коррозии после длительного использования.
Как цены на алюминиевые шкафы соотносятся с ценами на другие материалы? Первоначальные инвестиции в алюминиевые шкафы могут быть несколько выше, чем в традиционные деревянные или стальные, но учитывая долговечность, коррозионную стойкость и низкие затраты на обслуживание, алюминиевые шкафы обычно более экономически выгодны в долгосрочной перспективе.
Для какого стиля домашнего дизайна подходят алюминиевые шкафы?
Шкафы из алюминиевого сплава имеют современный вид и подходят для различных стилей интерьера, таких как минимализм, хай-тек, лофт и др. В то же время, благодаря гибкости обработки, их можно комбинировать с другими материалами, такими как дерево и стекло, для удовлетворения разнообразных дизайнерских потребностей.
Какую нагрузку могут выдержать алюминиевые шкафы?
Алюминиевый сплав обладает высокой прочностью и твердостью и может выдерживать ежедневные нагрузки на кухне и в ванной. Конкретная грузоподъемность будет зависеть от толщины и прочности алюминиевого профиля. Рекомендуется выбирать соответствующий материал для производства в соответствии с фактическими потребностями.
Какие есть варианты цвета и стиля для алюминиевых шкафов?
Поверхность шкафа из алюминиевого сплава может быть обработана с помощью напыления, анодирования и других процессов, обеспечивающих богатое разнообразие цветов и поверхностных эффектов. Вы можете выбрать подходящий цвет и стиль в соответствии с дизайном интерьера, чтобы шкаф гармонично сочетался с общей атмосферой дома.




