Ищете легкое, простое в сборке и экономичное решение для алюминиевых каркасов для вашего проекта?
Наши алюминиевые экструзии 10-й серии предлагают идеальный баланс точности, универсальности и модульной совместимости — идеальный вариант для 3D-принтеров, оборудования для автоматизации и конструкций для самостоятельной сборки (DIY).
Технические характеристики алюминиевого профиля 10-й серии
Стандарты: ГОСТ 5237 (GB/T 5237), ГОСТ 6892 (GB/T 6892), EN 755, EN 573, EN 12020-2, ASTM B210/B221M
Сертификаты: RoHS, REACH, ISO 9001, SGS/BV inspection
Обзор продукции алюминиевого профиля 10-й серии
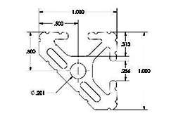
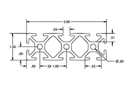
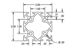
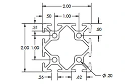
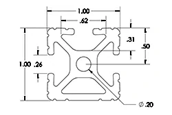
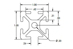
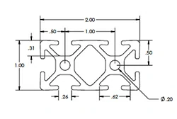
- Размеры: 1.0" x 1.0", 1" x 2", 1.0" x 3.0", 2.0" x 2.0", 2.0" x 4.0", 0.5" x 1.0", 0.5" x 2.0"
- Т-паз: 0.26"
- Сплав: АД35Т1 (6105-T5), АД31Т1 (6063-T6), АД33 (6061)
- Угол заклинивания: 2°
- Покрытие: Анодирование
- Цвет: Прозрачный, черный, серебристый, желтый
- Длина: 1500 мм – 6000 мм или под заказ
- Допуск резки Parco: ±0.015 дюйма
- Доступен с предварительно просверленными отверстиями и резьбовыми торцами
Мы знаем, что совместимость имеет значение. Вот почему мы гарантируем, что все наши алюминиевые экструзии и фурнитура полностью совместимы с продукцией других основных поставщиков.
Моментальный расчет стоимости
Размеры алюминиевого профиля 10-й серии
Алюминиевый профиль с Т-пазом 1" x 1"
Алюминиевый профиль 1" x 1" .26"
Черный алюминиевый профиль 1" x 1" .26"
Рифленый алюминиевый профиль 1" x 1" .26"
Алюминиевый профиль 1" x 1" .26"
Монослотовый алюминиевый профиль 1" x 1" .26"
Монослотовый алюминиевый профиль 1" x 1" .26"
Желтый алюминиевый профиль 0.26"
Черный алюминиевый профиль 1" x 1" .26"
Алюминиевый профиль с четверть-круглым пазом 1" x 1" .26"
Алюминиевый профиль с Т-пазом 1" x 2"
Алюминиевый профиль 1" x 2" .26"
Черный алюминиевый профиль 1" x 2" .26"
Рифленый алюминиевый профиль 1" x 2" .26"
Алюминиевый профиль с Т-пазом 1" x 3"
Алюминиевый профиль 1" x 3" .26"
Алюминиевый профиль 1" x 3" .26"
Черный алюминиевый профиль 1" x 3" .26"
Алюминиевый профиль с Т-пазом 2" x 2"
Алюминиевый профиль 2" x 2" .26"
Рифленый алюминиевый профиль 2" x 2" .26"
Черный алюминиевый профиль 2" x 2" .26"
Профили других размеров
Алюминиевый профиль с Т-пазом 2" x 4"
Алюминиевый профиль с Т-пазом .5" x 1"
Алюминиевый профиль с Т-пазом .5" x 2"
Аксессуары для алюминиевого профиля
Как производитель полного цикла, мы можем поставлять сырье (детали и профили) в исходном виде, в виде готовых к сборке комплектов с предварительной механической обработкой, или как полностью собранные узлы в соответствии с вашими спецификациями.
Моментальный расчет стоимости
6-луночная соединительная пластина
6-луночный угловой кронштейн с пазами
8-луночная внутренняя угловая косынка
3-луночная соединительная планка
Квадратный треугольный кронштейн
Т-пазовая гайка
Поворотный ролик для Т-паза (100 мм)
Монтажная плита для Т-паза (3 дюйма)
Серая крышка для Т-паза
Как производитель полного цикла, мы можем поставлять сырье (детали и профили) следующими способами:
- Без механической обработки
- В виде комплектов, обработанных и подготовленных к сборке в соответствии с вашими спецификациями
- Или полностью собранными нашей командой
Характеристики алюминиевого профиля 10-й серии
| Угол заклинивания | 2° |
| Момент инерции - IX | 0.0442 ” ⁴ |
| Момент инерции - IY | 0.0442 ” ⁴ |
| Площадь поверхности | 0.437 кв. дюйма |
| Предел текучести | 25, 000 фунтов на квадратный дюйм (psi) |
| Модуль упругости | 10, 000, 000 фунтов на квадратный дюйм (Lbs. / Sq. In.) |
| Вес в фунтах | 0.0424 на дюйм |
| Вес | 0.042400 |
Преимущества алюминиевого профиля 10-й серии
Легкий и компактный
Небольшой размер, идеальный для применений с ограниченным пространством или чувствительных к весу, таких как настольное оборудование и компактные конструкции автоматизации.
Модульная конструкция для легкой сборки
Стандартный Т-образный профиль позволяет быстро выполнять установку, регулировку и реконфигурацию. Совместим с большинством аксессуаров. Сварка не требуется, что экономит труд и время.
Экономически эффективное решение
Более доступный, чем профили большего размера, с меньшим расходом материала. Идеально подходит для бюджетных проектов и разработки прототипов.
Высокая совместимость
Полностью соответствует стандартным компонентам 10-й серии, таким как L-образные кронштейны, угловые соединители и Т-образные гайки. Легко расширять и модернизировать.
Универсальные применения
Подходит для изготовления легких рам, защитных ограждений, опор для освещения, демонстрационных стендов и конструкций оборудования для автоматизации.
Привлекательная и коррозионностойкая поверхность
Анодированное покрытие обеспечивает превосходную долговечность и коррозионную стойкость. Изящный серебристый вид подходит как для промышленных, так и для бытовых условий.
Применение алюминиевого профиля 10-й серии
Мы предлагаем продуктовые решения для широкого спектра применений в медицинской, автомобильной и производственной отраслях — решения, которые повышают производительность, оптимизируют рабочий процесс и обеспечивают безопасность ваших ценных сотрудников.
Наша команда дизайнеров может помочь вам на этапе разработки концепции вашего проекта и предоставит расчеты и чертежи САПР для ознакомления.
Моментальный расчет стоимостиРамы для 3D-принтеров
Компактные, легкие и простые в сборке — идеальный вариант для создания корпусов настольных 3D-принтеров.
Свяжитесь с нами сейчас
Настольное оборудование для автоматизации
Идеально подходит для рам и опор направляющих в этикетировочных машинах, лазерных маркерах и небольших конвейерах.
Свяжитесь с нами сейчасДемонстрационные стенды и выставочный реквизит
Используется для создания портативных демонстрационных опор и товарных стеллажей для удобной транспортировки и быстрой настройки.
Свяжитесь с нами сейчас
Опоры для лабораторного испытательного оборудования
Обычно используется в исследовательских и образовательных лабораториях для испытательных платформ, креплений датчиков и небольших приспособлений.
Свяжитесь с нами сейчасРамы для роботов-манипуляторов
Отлично подходит для быстрого создания образовательных или легких промышленных роботов с гибкой структурой и простой настройкой.
Свяжитесь с нами сейчас
Защитные чехлы и защитные кожухи
Создавайте легкие ограждения и заборы для рабочих станций и оборудования для автоматизации — функциональные и визуально чистые.
Свяжитесь с нами сейчасПроекты для дома своими руками (DIY)
Идеально подходит для стеллажей, верстаков и рам, сделанных на заказ. Модульная конструкция отвечает индивидуальным потребностям.
Свяжитесь с нами сейчас
Обработка поверхности алюминиевого профиля 10-й серии
Анодирование
Детали подвергаются механической, вибрационной полировке и/или шлифовке по мере необходимости, прежде чем попасть в процесс анодирования.
Каждый этап включает визуальный контроль для обеспечения высокого качества и единообразия чистоты поверхности.
Вы не ограничены натуральным или прозрачным анодированием — мы предлагаем полный спектр индивидуальных анодированных цветов в соответствии с вашими конкретными потребностями.
Специальные услуги по покрытию
Покраска и порошковое покрытие являются отличной альтернативой анодированию.
Специальные услуги по покрытию Chalco позволяют интегрировать различные виды обработки поверхности в ваш проект. Поскольку для разных конструкций требуются разные функции, мы предлагаем полный спектр опций для удовлетворения ваших потребностей:
- Порошковое покрытие
- Лакокрасочное покрытие
- Пескоструйная обработка
- Хроматирование
- Анодирование
- Окисление
- Гальваника
- Цинкование
Примечания
В дополнение к анодированным профилям, мы также предлагаем анодированные соединительные планки, угловые косынки, кронштейны, пластины и Т-образные гайки.
Обратите внимание, что если требуется механическая обработка или резка, некоторые участки анодированного профиля могут быть обнажены.
Мы будем рады помочь вам с любыми проектами, связанными с алюминиевыми профилями с черным анодированием. Если вы не можете найти то, что ищете, не стесняйтесь обращаться к нам напрямую.
Моментальный расчет стоимостиМеханическая обработка по индивидуальному заказу для алюминиевого профиля 10-й серии
Мы предлагаем комплексное решение для всей вашей Т-пазовой системы — включая детали, фитинги и аксессуары, изготовленные по индивидуальному заказу.
Благодаря более чем 200 складируемым конструкционным профилям, мы можем быстро изготовить ваши нестандартные кронштейны или компоненты.
Нет необходимости координировать работу с несколькими поставщиками — наше современное оборудование эффективно справляется как с единичными деталями, так и с крупными производственными партиями.
Концепция
Дизайн
Готово
Все самые продаваемые продукты и размеры Т-пазов Chalco
Это наш самый продаваемый складской продукт, вы можете связаться с нами для изготовления на заказ
Алюминиевый профиль 10-й серии
Алюминиевый профиль 15-й серии
Алюминиевый профиль 45-й серии
Алюминиевый профиль 2020 2040
Алюминиевый профиль 3030 3060
Алюминиевый профиль 4040 4080
Преимущества услуг Chalco
Совместимость и универсальность
Одним из ключевых преимуществ выбора Т-пазовых алюминиевых профилей Chalco является их полная совместимость как с имперскими, так и с метрическими системами от ведущих производителей.
Опытная команда
Наши глубокие отраслевые знания гарантируют, что вы получите не просто продукты — вы получите индивидуальные решения, разработанные специально для ваших потребностей.
Индивидуальный подход
Что отличает Chalco, так это наша приверженность индивидуальной поддержке на протяжении всего вашего проекта.
Этот уровень обслуживания особенно важен для сложных или индивидуальных сборок, требующих больше, чем готовые компоненты.
Конкурентоспособные цены
Chalco предлагает очень конкурентоспособные цены, что делает нас идеальным выбором для клиентов, стремящихся максимизировать ценность без ущерба для качества.
Профессиональная и опытная команда
Точность до 0.005 дюйма
Гарантия качества
Упаковка, доставка и торговая поддержка
Упаковка
Каждый профиль оборачивается защитной пленкой для предотвращения царапин, затем упаковывается крафт-бумагой или пеной EPE.
При необходимости могут быть добавлены деревянные ящики или картонные коробки. Доступна упаковка с индивидуальным логотипом и сортировка аксессуаров.
Варианты доставки
Мы поддерживаем морские перевозки (FCL/LCL), воздушные перевозки и международную экспресс-доставку (такую как DHL и FedEx).
Торговые условия включают FOB, CIF, DDU и DDP для удовлетворения ваших логистических потребностей с быстрой отправкой.
Способы оплаты
Мы принимаем T/T (банковский перевод), L/C (аккредитив), PayPal и другие гибкие варианты оплаты.
В чем разница между 10-й и 15-й сериями?
Профили 10-й серии основаны на размерах 1/2 дюйма и 1 дюйм.
Центральная линия находится на расстоянии 1/2 дюйма от края, а расстояние от центра до центра составляет 1 дюйм.
Профили 15-й серии основаны на размерах 3/4 дюйма и 1.5 дюйма.
Центральная линия находится на расстоянии 3/4 дюйма от края, а расстояние от центра до центра составляет 1.5 дюйма.

