Ищете легкие, универсальные алюминиевые профили для компактных конструкций и проектов своими руками?
Алюминиевые профили с Т-образным пазом (Т-слот) 2020 и 2040 идеально подходят для высокоточных каркасов, 3D-принтеров и систем автоматизации.
Технические характеристики алюминиевых профилей 2020 2040
Стандарты: GB/T 5237, GB/T 6892, EN 755, EN 573, EN 12020-2, ASTM B210/B221M
Сертификаты: RoHS, REACH, ISO 9001, инспекция SGS/BV
Обзор продукции алюминиевых профилей 2020 2040
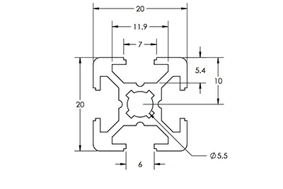
- Размеры: 20 x 20 мм, 20 x 40 мм, 10 x 20 мм
- Т-слот: 5мм, 6мм
- Сплав: 6105-T5 (ближайший аналог: АД35-Т5 ГОСТ), 6063-T6 (ближайший аналог: АД31Т ГОСТ), 6061 (ближайший аналог: АД33 ГОСТ)
- Угол блокировки: 2°
- Покрытие: Анодирование
- Цвет: Прозрачный (натуральный), черный, серебристый, желтый
- Длина: 1500мм – 6000мм или нарезка по индивидуальному заказу
- Допуск на резку Parco: ±0.015 дюйма
- Доступны с предварительно просверленными отверстиями и резьбовыми торцами
Профили с Т-слотом 20мм x 20мм
Профили с Т-слотом 20мм x 40мм
Профили с Т-слотом 10мм x 20мм
Мы понимаем, что совместимость имеет решающее значение. Вот почему мы гарантируем, что все наши алюминиевые профили и фурнитура безупречно работают с продукцией других основных брендов.
Получить мгновенное предложение
Размеры алюминиевых профилей 2020 2040
Мы можем предоставить чертежи продукции.
Получить мгновенное предложениеПрофили 20мм x 20мм (Т-слот 5мм)
Алюминиевый профиль 20мм x 20мм 5мм
Черный алюминиевый профиль 20мм x 20мм 5мм
Алюминиевый профиль 20мм x 20мм 5мм
Алюминиевый профиль 20мм x 20мм 5мм
Желтый алюминиевый профиль 20мм x 20мм 5мм
Черный алюминиевый профиль 20мм x 20мм 5мм
Профили 20мм x 40мм (Т-слот 5мм)
Алюминиевый профиль 20мм x 40мм 5мм
Черный алюминиевый профиль 20мм x 40мм 5мм
Алюминиевая деталь 40мм x 20мм 8.1мм
Профили 10мм x 20мм (Т-слот 5мм)
Профиль 20мм x 10мм идеален для защитных ограждений станков, звукоизоляционных кожухов, легких верстаков, демонстрационных стендов и рам для крепления панелей.
Свяжитесь с нами сейчас
Профили 20мм x 20мм (Т-слот 6мм)
Профили 20мм x 40мм (Т-слот 6мм)
Длина: 118” (2.997 м)
Вес: 0.533 фунта/фут (0.793 кг/м)
Расчетная площадь: 0.444 дюйма2 (2.8638 см2)
Момент инерции: Ix=0.029 дюйма4 (1.21 см4)
Iy=0.111 дюйма4 (4.62 см4)
Аксессуары для алюминиевых профилей
Как производитель полного цикла, мы можем поставить сырье (детали и профили) как есть, в виде предварительно обработанных комплектов, готовых к сборке, или в виде полностью собранных единиц в соответствии с вашими спецификациями.
Получить мгновенное предложение
6-луночная соединительная пластина
6-луночный угловой кронштейн с пазом
8-луночная внутренняя угловая косынка
3-луночная соединительная полоса
Квадратный треугольный кронштейн
Гайка для Т-слота
Поворотный ролик для Т-слота (100мм)
Монтажная напольная опорная плита для Т-слота (3 дюйма)
Серая крышка Т-слота
Как производитель полного цикла, мы можем поставлять сырье (детали и профили) следующими способами:
- Без механической обработки
- В виде комплектов, обработанных и подготовленных к сборке в соответствии с вашими спецификациями
- Или полностью собранными нашей командой
Характеристики алюминиевых профилей 2020 2040
Для систем автоматизации с тепловыделяющими электрическими или механическими компонентами быстрое рассеивание тепла алюминием является основным преимуществом.
Это делает Т-слот алюминиевый профиль идеальным выбором для корпусов и шкафов управления, где критически важен тепловой режим.
| Предел текучести (0.2%) | 172 МПа / 25 ksi |
| Предел прочности (на растяжение) | 230 МПа / 33 ksi |
| Модуль упругости (E) | 10, 000, 000 psi |
| Твердость (По Вебстеру, тип B) | 12+ |
| Теплопроводность | 193 Вт/м·К (1340 BTU-in/час-фут²-°F) |
| Удельная теплоемкость | 900 Дж/кг·°C (0.215 BTU/фунт-°F) |
| Коэффициент теплового расширения | 23.4 мкм/м·°C (13.0 мкдюйм/дюйм·°F) |
| Температура плавления | 649 °C (1200 °F) |
| Плоскостность | ≤ 0.004 дюйма/дюйм |
| Прямолинейность | ≤ 0.0125 дюйма/фут, макс 0.120 дюйма/20 футов |
| Скручивание | ≤ 0.25°/фут, макс 1.5°/20 футов |
| Перпендикулярность (отклонение от угла 90°) | ≤ 0.4° |
| Максимальное вертикальное отклонение | 0.002 дюйма/дюйм |
Преимущества алюминиевых профилей 2020 2040
- Компактные и легкие, идеально подходят для небольших конструкций и настольных приложений
- Конструкция Т-слот для простоты сборки и реконфигурации
- Совместимость со стандартными соединителями, кронштейнами и крепежом
- Изготовлены из высокопрочных алюминиевых сплавов, таких как 6063-T5 (ближайший аналог: АД31Т ГОСТ) или 6105-T5 (ближайший аналог: АД35-Т5 ГОСТ)
- Анодированная поверхность для коррозионной стойкости и чистого, профессионального вида
- Экономичные, легко режутся и обрабатываются для индивидуальных сборок
Применение алюминиевых профилей 2020 2040
Мы предлагаем продуктовые решения для широкого спектра применений в медицинской, автомобильной и обрабатывающей промышленности — решения, которые повышают производительность, оптимизируют рабочий процесс и обеспечивают безопасность ваших ценных сотрудников.
Наша команда дизайнеров может помочь вам на этапе разработки концепции вашего проекта и предоставит сметы и CAD-чертежи для вашего ознакомления.
Получить мгновенное предложениеКаркасы 3D-принтеров
Компактные и легкие, идеально подходят для настольных конструкций 3D-принтеров.
Свяжитесь с нами сейчас
Кожухи для станков с ЧПУ
Используются для защитных покрытий и небольших каркасов станков.
Свяжитесь с нами сейчасВерстаки и подставки для инструментов
Для легких промышленных или домашних рабочих станций.
Свяжитесь с нами сейчас
Оснастка для автоматизации
Идеально подходит для сборки приспособлений, испытательных стендов и роботизированных манипуляторов.
Свяжитесь с нами сейчасСтеллажи и стойки для хранения на заказ
Модульная конструкция позволяет гибко настраивать конфигурации.
Свяжитесь с нами сейчас
Корпуса для электроники
Простой монтаж панелей управления, печатных плат и проводки.
Свяжитесь с нами сейчасМебель своими руками или хобби-проекты
Мейкеры и инженеры используют их для полок, тележек и многого другого.
Свяжитесь с нами сейчас
Небольшие конвейеры или системы линейного перемещения
Подходят для транспортировки с низкой нагрузкой или для прототипирования систем.
Свяжитесь с нами сейчасОтделка поверхности алюминиевых профилей 2020 2040
Анодирование
Мы проводим механическую обработку, виброполировку и/или шлифование деталей по мере необходимости перед нанесением анодированного покрытия.
Каждый этап включает визуальный контроль для обеспечения высокого качества и единообразного внешнего вида поверхности.
Вы не ограничены натуральным или прозрачным анодированием — мы можем предоставить любой цвет, который вам нужен, чтобы ваши профили и компоненты соответствовали другим областям применения.
Услуги по специальному покрытию
Покраска и порошковое покрытие являются отличными альтернативами анодированию.
Специальные услуги Chalco по нанесению покрытий дают вам возможность применять различные виды обработки поверхности для вашего проекта. Поскольку разные конструкции требуют разных функций, мы предлагаем широкий спектр опций для удовлетворения ваших потребностей:
- Порошковое покрытие
- Покраска
- Пескоструйная обработка
- Хроматирование
- Анодирование
- Оксидирование
- Гальваника (электролитическое покрытие)
- Горячее цинкование (гальванизация)
Примечания
В дополнение к анодированным профилям, мы также предлагаем анодированные соединители, косынки, кронштейны, пластины и Т-гайки.
При заказе анодированных Т-слот профилей обратите внимание, что обработанные или отрезанные участки могут обнажать незавершенные поверхности.
Мы рады поддержать любой проект, связанный с черными анодированными Т-слот профилями. Если вы не можете найти нужный вам продукт, не стесняйтесь обращаться к нам в любое время.
Получить мгновенное предложениеМеханическая обработка алюминиевых профилей 2020 2040 на заказ
Мы предлагаем комплексное решение для Т-слот систем, включая детали, фитинги и аксессуары на заказ для поддержки всего вашего проекта.
Имея более 200 стандартных форм профилей на складе, мы можем быстро изготовить кронштейны или компоненты на заказ — нет необходимости координировать работу с несколькими поставщиками.
Наше современное оборудование обеспечивает быстрое и точное производство как единичных деталей, так и больших объемов.
Концепция
Проектирование
Завершение
Все самые продаваемые продукты и размеры Т-слот профилей Chalco
Это наши самые продаваемые стандартные продукты, вы можете связаться с нами для индивидуального заказа
Алюминиевый профиль 10-й серии
Алюминиевый профиль 15-й серии
Алюминиевый профиль 45-й серии
Алюминиевый профиль 2020 2040
Алюминиевый профиль 3030 3060
Алюминиевый профиль 4040 4080
Преимущества сервиса Chalco
Совместимость и универсальность
Одним из ключевых преимуществ выбора Т-слот алюминиевых профилей Chalco является их полная совместимость как с имперскими, так и с метрическими системами от ведущих производителей.
Опытная команда
Наше глубокое знание отрасли гарантирует, что вы получите больше, чем просто продукты — вы получите индивидуальные решения, разработанные специально для ваших прикладных потребностей.
Индивидуальный подход
Что отличает Chalco, так это наша приверженность индивидуальной поддержке на протяжении всего вашего проекта.
Этот уровень обслуживания особенно ценен для сложных или нестандартных сборок, которые требуют больше, чем готовые компоненты.
Конкурентоспособные цены
Chalco предлагает очень конкурентоспособные цены, что делает нас идеальным выбором для клиентов, стремящихся максимизировать выгоду без ущерба для качества.
Профессиональная и опытная команда
Точность до 0.005 дюйма
Гарантия качества
Индивидуальная упаковка Chalco
В Chalco мы знаем, что небольшие профили, такие как алюминиевые профили 2020 и 2040, требуют точной и защитной упаковки для безопасной доставки.
- Каждое изделие индивидуально обернуто пеной EPE или пленкой для предотвращения царапин.
- Связки запечатаны влагонепроницаемой пленкой и содержат пакетики с осушителем для морских перевозок.
- Профили упаковываются на фумигированные поддоны или фанерные ящики, полностью соответствующие экспортным стандартам ISPM 15.
- Четкая маркировка для легкой идентификации — указаны размер, количество и номер партии.
- Доступны услуги по индивидуальной упаковке для комплектов, небольших партий или OEM-проектов.

